Home

 


FiberVision GmbH
Jens-Otto-Krag-Straße 11
D-52146 Würselen

Telefon: +49 2405 4548-0
Telefax: +49 2405 4548-14

 

CAMAT® – Data Sheet


We offer two different versions of CAMAT®: one is restricted to grayscale, the other is capable to recognize colors.

 

 Type

CAMAT® 65 C

CAMAT® 38

Sensor 782 x 582 SONY,1/2" CCD color, progressive scan 640 x 480 SONY, 1/3", CCD s/w, progressive scan
Video output SVGA Grayscale/Color SVGA Grayscale
Signal processor Analog Devices ADSP 2181 with 40 MHz Analog Devices ADSP 2183 with 50 MHz

 

Common Data– both Types

ADU / ADC

8-bit-ADU with digital clamping

Interfaces

1 serial V. 24 (RS-232)

Image pages

1

Min. exposure time 500 microseconds – 10 seconds
Digital inputs, optodecoupled

4 inputs for 12 – 24 V

Digitale outputs, optodecoupled

4 outputs, 150 mA each

External control

– Through PLC
– Flash control
– Triggered evaluation

Power supply

12 VDC ± 20%, not controlled, 600 mA

Operation temperature

- 5°C – 45°C / 23°F – 113°F

Operation humidity

max. 80%

Shock resistance

< 70 g

Vibration

< 7 g (11 – 200 Hz)

Geometry

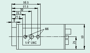
111 x 50 x 45 mm3
(without lens)

Operation l anguages

German, English, French, Italian, Dutch, Portuguese, Spanish, Turkish– the languages can be easily switched from the menu

 


 

Scope of delivery

  • Smart-Camera with image processing software
  • Keypad
  • V24-cable
  • PLC-cable
  • SVGA-Kabel
  • Power supply unit with cable
  • CAMAT®- Reference

Lenses, lightings and monitors are to be ordered separately

Dimensions I

Dimensions II

Dimensions III

 

Programm structure

www.fibervision.de
info@fibervision.de